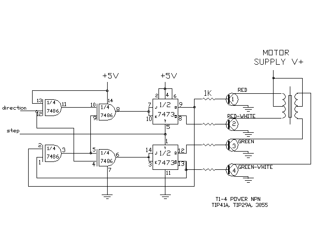
A simple full-step driver for low power steppers:



home